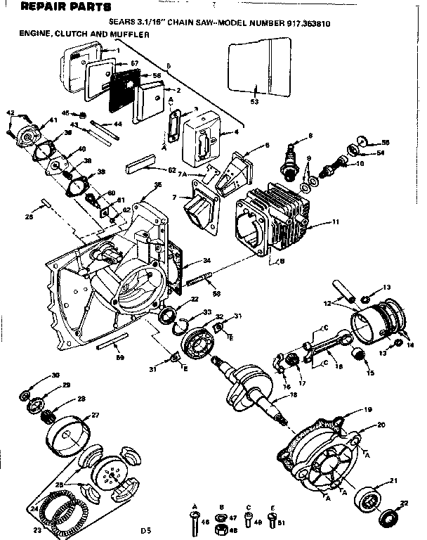
Craftsman 358341140 electric chainsaw parts Sears PartsDirect

Sears Chainsaw Parts. Craftsman 358341140 electric chainsaw parts Sears PartsDirect 316.350220 (41AY05AR799) - Craftsman Chainsaw (Sears) 316.350840 (41AY85AR799) - Craftsman Chainsaw (Sears) 316.350850 (41BY85AR799) - Craftsman Chainsaw (Sears) When your Craftsman gas chainsaw quits working, find the repair parts you need to fix the chainsaw at Sears PartsDirect

Chainsaw Carburetor Diaphragm 530035229 parts Sears PartsDirect
Chainsaw Carburetor Diaphragm 530035229 parts Sears PartsDirect from www.searspartsdirect.com

When that happens, count on Sears PartsDirect to have the repair parts you need to get your chainsaw going again 316.380160 (41BY427S799) - Craftsman Chainsaw (Sears) > Parts Diagrams (2) Engine Assembly

Chainsaw Carburetor Diaphragm 530035229 parts Sears PartsDirect

Get outdoors for some landscaping or spruce up your garden! Shop a huge online selection at eBay.com Use the Craftsman 16 36cc chainsaw parts diagram on our Sears PartsDirect website to easily find the Sears Craftsman chainsaw parts you need to fix any failure We have Craftsman 18 inch 42cc chainsaw parts and Craftsman chainsaw 18 inch 40 cc parts.

Chainsaw Chain 311014201 parts Sears PartsDirect. Chainsaw parts for all major chainsaw brands - manufacturer-approved parts for a proper fit every time! We also have installation guides, diagrams, and manuals to help you along the way! When that happens, count on Sears PartsDirect to have the repair parts you need to get your chainsaw going again

Chainsaw Oil Pump Assembly 545165401 parts Sears PartsDirect. We also carry parts for other popular chain saw models Use the Craftsman 16 36cc chainsaw parts diagram on our Sears PartsDirect website to easily find the Sears Craftsman chainsaw parts you need to fix any failure